
Խելացի թրթռացող մետաղալարերի լարվածության չափիչը (ներկառուցման մոդելը) հիմնականում օգտագործվում է բետոնե կոնստրուկցիաների ներքին լարվածությունը չափելու համար, և կառուցվածքի ներքին լարվածությունը կարող է հաշվարկվել բետոնե կառուցվածքի առաձգական մոդուլի հիման վրա: Նախքան բետոն լցնելը, արտադրանքը կապվում է կառուցվածքային պողպատե ձողերի վրա կամ տեղադրվում է հարմարեցված մոնտաժային փակագծերի վրա (օրինակ՝ բազմակողմ լարման չափիչի մոնտաժային փակագծեր), այնուհետև կատարվում է բետոն լցնել: Բետոնի կանխորոշված ամրության հասնելուց հետո կարող է իրականացվել կառուցվածքի լարվածության չափում: Արտադրանքի թեթև կառուցվածքի և բարձր զգայունության բնութագրերի շնորհիվ այն կարող է օգտագործվել նաև բետոնե կառուցվածքի կծկվելն ու սողունը դիտարկելու համար, երբ բետոնը գտնվում է նախնական ամրացման փուլում:
|
Ծագման վայրը: |
Չանշա, Չինաստան |
|
Ապրանքանիշի անվանումը: |
Kingmach |
|
Մոդելի համարը: |
JMZX-215HA/215HAT/HB |
|
Հավաստագրում: |
GB/T 13606-2007, GBT 3408.2-2008, DL/T 1044-2022 |
|
Պատվերի նվազագույն քանակ: |
1 հատ |
|
Գին: |
Սակարկելի |
|
Փաթեթավորման մանրամասներ: |
Ստվարաթղթեր կամ փայտե պատյաններ: Առկա են նաև հարմարեցված փաթեթավորման լուծումներ: |
|
Առաքման ժամանակ: |
Առաքվում է ամբողջական վճարումը ստանալուց հետո 30 օրվա ընթացքում: |
|
Վճարման պայմաններ: |
T/T նախապես. |
JMZX-215HAT ներկառուցված լարման չափիչը հարմար է բետոնե տարբեր կառույցների ներսում լարվածության չափման համար և աջակցում է երկարաժամկետ մոնիտորինգին և ավտոմատացված չափմանը: Այն լայնորեն օգտագործվում է բետոնե կառույցներում լարվածության չափման համար, ինչպիսիք են կամուրջները, թունելները, ամբարտակները, ստորգետնյա շինությունները, փորձարկման կույտերը և լաբորատոր մոդելները:
1. Նախագծված և արտադրված է թրթռացող լարերի տեսությամբ, պողպատե պարանի երկու ծայրերը եռակցված և խարսխված են, իսկ պողպատե պարանն ունի ներկառուցված լարվածության կառուցվածք, որը հարմար է տեղադրման համար և չունի կտրելու պահանջներ տեղադրման հիմքի համար և ավելի հուսալի է ամրագրման համար: Այն ունի բարձր զգայունության, բարձր ճշգրտության և բարձր կայունության առավելությունները և հարմար է երկարաժամկետ դիտարկման համար:
2. VW սենսորն ունի ներկառուցված բարձր կատարողական գրգռիչ՝ օգտագործելով զարկերակային գրգռման ռեժիմ, ունի արագ փորձարկման արագության, կայուն և հուսալի պողպատե լարերի թրթռման, հաճախականության ազդանշանի հեռահար փոխանցման առանց աղավաղումների, ուժեղ հակամիջամտության հնարավորություն:
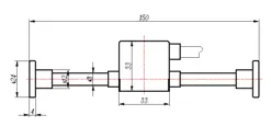
3. Լարվածության չափիչ չժանգոտվող պողպատից լիովին կնքված կառուցվածք, լավ կառուցվածքային կատարում, անջրանցիկ և դիմացկուն, ջրի դիմադրության խորությունը 150 մետր:
4. Ընկերության համապարփակ փորձարկիչով հագեցած կարող է ուղղակիորեն ցուցադրել ֆիզիկական քանակի արժեքը, բայց կարող է նաև ցուցադրել թրթռման լարային հաճախականությունը (Հց), չափումը ինտուիտիվ է, պարզ և արագ: Ընկերության ավտոմատ համապարփակ ձեռքբերման համակարգով կարելի է հասնել անօդաչու ավտոմատ չափումների:
5. Լարվածության չափիչի ներկառուցված ջերմաստիճանի ցուցիչը կարող է ուղղակիորեն չափել չափման կետի ջերմաստիճանը (ջերմաստիճանի տեսակը), իսկ փորձարկման անձնակազմը կարող է ջերմաստիճանը շտկել լարվածության արժեքը:
JMZX-215 Ներկառուցված բետոնի լարման չափիչն օգտագործվում է տարբեր բետոնե կոնստրուկցիաների, ներառյալ կամուրջների, թունելների, հիդրոէլեկտրական ամբարտակների, ստորգետնյա կառույցների, կույտերի և լաբորատոր մոդելների լարվածությունը չափելու համար: Լաքի չափիչը կապվում է ամրանների (կամ հատուկ հենարանների) վրա կապակցման պողպատե լարերով կամ նեյլոնե ճարմանդներով և տեղադրման համար նպատակային կառուցվածքի հետ միասին թափվում է, հնարավոր է ավտոմատ և երկարաժամկետ մոնիտորինգ իրականացնել:
|
Տեխնիկական պարամետրի կետ |
Հատուկ բովանդակություն |
|
Ստանդարտ միջակայք |
±1500 մ |
| Ճշգրտություն լարվածության համար |
0,5% FS |
|
Բանաձեւ |
0,1 մ |
|
Հաշվիչի երկարությունը |
146mm |
| Ջերմաչափի միջակայք |
-40ºC-ից +120ºC |
| Ջերմաստիճանի չափման ճշգրտություն |
±0.5℃ |
| Պողպատե պարանի ընդարձակման գործակիցը |
12,2մ/ºC |




Եթե դուք հետաքրքրված եք մեր արտադրանքով կամ ցանկանում եք դառնալ մեր գործընկերը:
Խնդրում ենք թողնել ձեր կոնտակտային տվյալները, մեր թիմը հնարավորինս շուտ կկապվի ձեզ հետ:
Փոստ: [email protected]
Կապ մեզ հետ՝ +8613808434127
Հասցե՝ No. 188 Tongzipo West Rd, Changsha, Hunan, China